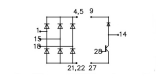
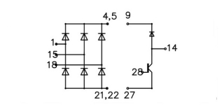
SK55DGL126

Ціна: 1.00 EUR
Напруга (V): 1200
Струм (A): ≤ 55
Конфігурація мостового модуля: Трифазний випрямний міст із чоппером