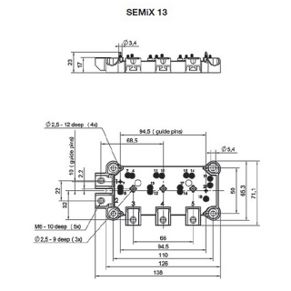
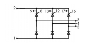
SEMiX241DH16s

Ціна: 59.67 EUR
Напруга (V): 1600
Струм (A): ≤ 300
Конфігурація мостового модуля: Трифазний напівкерований випрямний міст B6HK