МКРІ 338Е 0,47uF/1200 VDC

Ціна: 1.00 EUR

Конденсатор демпферный для IGBT модулей предназначен для подавления импульсных перенапряжений, возникающих при коммутации, крепится непосредственно на выводы IGBT модуля, обладает очень малой паразитной индуктивностью и последовательным паразитным сопротивлением.

 

Характеристики:

Тип конденсатора : MKPІ 338Е

Конструкция: прямоугольная

Корпус: пластмасс (защита от воспламенения)

Диэлектрик: полипропиленовая пленка

Робочая температура :-40/+85 С

Климатическая категория: 40/085/56

 

ТИП

МКРІ 338Е

Рабочее напряжение

1250 VDC/500 VAC

Емкость

(мкф)

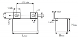
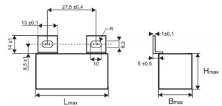
Размеры (BхHхL)мм

ESR(mOhm) до

100 kHz

Ток I(A)

до +85°C

Max. dU/dt

V/us

0,47

28х37х42,5

5

17

 

 

 

 

550

0,68

28х37х42,5

4

20

1

28х37х42,5

7

16

1,5

30х45х42,5

7

16

2

35х45х42,5

6

17

2,2

35х45х42,5

6

18

2,5

35х45х42,5

5

20

3

35х45х42,5

5

22