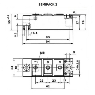
SKKD212/12

Ціна: 1.00 EUR
Напруга (V): 1200
Струм (A): 212
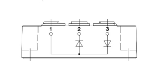
Конфігурація модуля: Діод-діодний