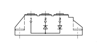
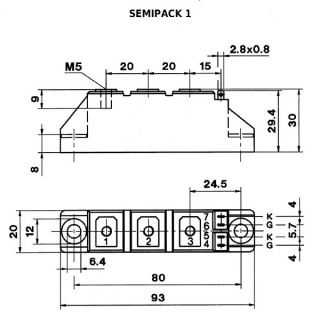
SKKD81/14

Ціна: 1.00 EUR
Напруга (V): 1400
Струм (A): ≤ 80
Конфігурація модуля: Діод-діодний