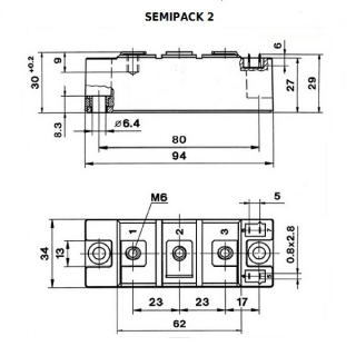
SKKH 122/14 E — тиристор-диодный электроизолированный модуль в корпусе SEMIPACK® 2

| Обозначение |
Наименование |
Значение |
Единица измерения |
| VRRM |
Повторяющееся максимальное обратное напряжение |
1400 |
В |
| ITAV (sin.180; Tc= 88°C) |
Среднее значение переменного тока в открытом состоянии |
122 |
А |
| SEMIPACK® 2 |
Количество в упаковке |
8 |
шт |
Полный Datasheet можно скачать с сайта SEMIKRON: http://www.semikron.com
| Обозначение |
Наименование |
Условия снятия характеристики |
Значение |
Единица измерения |
| ITAV |
Среднее значение переменного тока в открытом состоянии тиристора |
Sin. 180 ° |
Tc = 85 °C |
129 |
А |
| Tc = 100 °C |
92 |
А |
| ITSM |
Бросок тока в открытом состоянии (ударный ток) тиристора |
10 мс |
Tvj = 25 °C |
3600 |
А |
| Tvj = 125 °C |
3200 |
А |
| i2t |
Значение i2t |
8,3 .... 10 мс |
Tvj = 25 °C |
64800 |
А2с |
| Tvj = 125 °C |
51200 |
А2с |
| VRSM |
Неповторяющееся максимальное обратное напряжение |
|
1500 |
В |
| VRRM |
Повторяющееся максимальное обратное напряжение |
|
1400 |
В |
| VDRM |
Повторяющееся максимальное напряжение в выключенном состоянии |
|
1400 |
В |
| (di/dt)cr |
Критическое значение скорости нарастания тока |
Tvj = 125 °C |
макс. 200 |
А/мкс |
| (dv/dt)cr |
Критическое значение скорости нарастания напряжения |
Tvj = 125 °C |
макс. 1000 |
В/мкс |
| Tvj |
Эффекивная температура p-n перехода |
|
- 40 ... + 125 |
°C |
| Модуль |
| Tstg |
температура хранения |
|
- 40 ... + 125 |
°C |
| VISOL |
напряжение испытания изоляции |
переменное напряжение 50Гц, |
1 мин |
3000 |
В |
| 1c |
3600 |
В |
| Обозначение |
Наименование |
Условия снятия характеристики |
Значение |
Единица измерения |
| мин. |
ном. |
макс. |
| Чип |
| VT |
(Постоянное) напряжение во включенном состоянии (тиристор) |
Tvj = 25 °C; IT = 360 A |
|
|
1,55 |
В |
| VT(TO) |
Прямое падение напряжения в открытом состоянии (пороговое напряжение) |
Tvj = 125 °C |
|
|
0,85 |
В |
| rT |
Дифференциальное сопротивление во включенном состоянии, прямое дифференциальное сопротивление (для тиристоров) |
Tvj = 125 °C |
|
|
2,0 |
мОм |
| IDD; IRD |
Постоянный ток в закрытом состоянии; Постоянный обратный ток |
Tvj = 125 °C; VRD = VRRM; VDD = VDRM |
|
|
40 |
мА |
| tgd |
Длительность задержки, вносимой затвором |
Tvj = 25 °C; IG = 1 A; diG/dt = 1 A/мкс |
|
1 |
|
мкс |
| tgr |
Длительность спада, вносимого затвором |
VD = 0,67 * VDRM |
|
2 |
|
мкс |
| tq |
Время выключения замкнутой цепи (тиристор) |
Tvj = 130 °C |
|
120 |
|
мкс |
| IH |
Ток удержания |
Tvj = 25 °C |
|
100 |
300 |
мА |
| IL |
Ток срабатывания (заперания) |
Tvj = 25 °C; RG = 33 Ом |
|
200 |
500 |
мА |
| VGT |
Отпирающее напряжение затвора |
Tvj = 25 °C; d.c. |
2,0 |
|
|
В |
| IGT |
Ток отпирания затвора |
Tvj = 25 °C; d.c. |
150 |
|
|
мА |
| VGD |
Неотпирающее напряжение затвора |
Tvj = 125 °C; d.c. |
|
|
0,25 |
В |
| IGD |
Неотпирающий ток затвора |
Tvj = 125 °C; d.c. |
|
|
10,0 |
мА |
| Rth(j-c) |
тепловое сопротивление переход-корпус |
Cont. DC |
для чипа |
|
0,2 |
|
K/Вт |
| для модуля |
|
0,1 |
|
K/Вт |
| Rth(j-c) |
тепловое сопротивление переход-корпус |
Sin. 180 ° |
для чипа |
|
0,21 |
|
K/Вт |
| для модуля |
|
0,105 |
|
K/Вт |
| Rth(j-c) |
тепловое сопротивление переход-корпус |
Rec. 120 ° |
для чипа |
|
0,22 |
|
K/Вт |
| для модуля |
|
0,11 |
|
K/Вт |
| Модуль |
| Rth(c-s) |
тепловое сопротивление корпус-радиатор |
чип |
|
0,13 |
|
K/Вт |
| модуль |
|
0,065 |
|
K/Вт |
| Ms |
монтажный вращающий момент |
для крепления теплоотвода с резьбой M5 |
5 ± 15 % |
Н · м |
| Mt |
монтажный вращающий момент |
для выводов с резьбой M5 |
3 ± 15 % |
Н · м |
| a |
Максимальное ускорение при вибрации |
|
|
|
5 * 9,81 |
m/s2 |
| m |
масса модуля |
|
|
165 |
|
грамм |