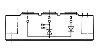
SKKH132/22E H4

Ціна: 1.00 EUR
Напруга (V): 2200
Струм (A): ≤ 130
Конфігурація модуля: Діод-діодний