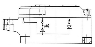
SKKH273/16E

Ціна: 1.00 EUR
Напруга (V): 1600
Струм (A): 273
Конфігурація модуля: Діодно-тиристорний