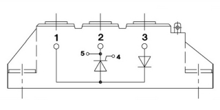
SKKH57/14E

Ціна: 1.00 EUR
Напруга (V): 1400
Струм (A): ≤ 55
Конфігурація модуля: Діодно-тиристорний