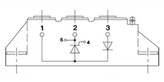
SKKH58/16E

Ціна: 1.00 EUR
Напруга (V): 1600
Струм (A): ≤ 55
Конфігурація модуля: Діодно-тиристорний