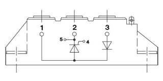
SKKH72/22EH4

Ціна: 1.00 EUR
Напруга (V): 2200
Струм (A): ≤ 70
Конфігурація модуля: Діодно-тиристорний