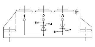
SKKT27B/12E

Ціна: 1.00 EUR
Напруга (V): 1200
Струм (A): ≤ 27
Конфігурація модуля: Тиристор-тиристорний