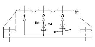
SKKT57B/08E

Ціна: 1.00 EUR
Напруга (V): 800
Струм (A): ≤ 55
Конфігурація модуля: Тиристор-тиристорний