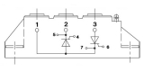
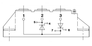
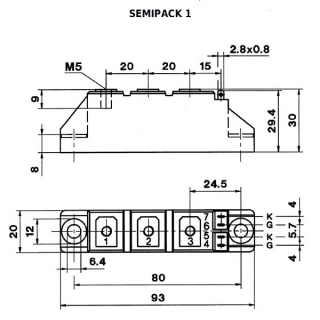
SKKT92/08E

Ціна: 1.00 EUR
Напруга (V): 800
Струм (A): ≤ 95
Конфігурація модуля: Тиристор-тиристорний