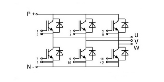
SKM22GD123D

Ціна: 88.30 EUR
Напруга (V): 1200
Струм (A): ≤ 25
Конфігурація IGBT модуля: 3-фазний міст