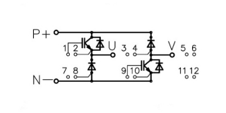
SKM25GAH125D

Ціна: 55.34 EUR
Напруга (V): 1200
Струм (A): ≤ 25
Конфігурація IGBT модуля: Верхній чоппер