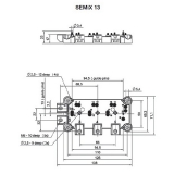
SEMiX101GD126HDs

Ціна: 90.74 EUR
Напруга (V): 1200
Струм (A): ≤ 100
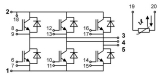
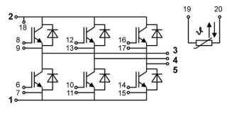
Конфігурація IGBT модуля: 3-фазний міст

SEMiX101GD126HDs — трифазний IGBT міст (GD) у корпусі SEMiX® 13

Обозначение Наименование Значение Единица измерения
Unom номинальное напряжение 1200 В
ICnom  °C длительно допустимый ток коллектора при максимальной температуре корпуса 75 А
SEMiX® 13 количество в упаковке 4 шт

 

Ціни на сайті вказані для оптових кількостей.

Предельно-допустимые характеристики (если не указано прочее значение, то полагается температура корпуса Tc = 25 °C)
Обозначение Наименование Условия снятия характеристики Значение Единица измерения
IGBT-транзистор
VCES напряжение коллектор-эмиттер при замкнутом затворе с эмиттером   1200 В
IC ток коллектора   Tc = 25 °C 129 А
Tc = 80 °C 91 А
ICRM повторяющийся максимальный ток коллектора tимп = 1 мс 150 А
VGES напряжение затвор-эмиттер при замкнутом коллекторе с эмиттером   - 20 ... + 20 В
Tvj эффективная температура p-n перехода   - 40 ... + 150 °C
Обратный диод
IF прямой ток   Tc = 25 °C 117 A
Tc = 80 °C 81 A
IFRM максимальный повторяющийся прямой ток tимп = 1 мс 150 A
IFSM прямой ток перегрузки tимп = 10 мс; синусоидальная форма; Tj = 25 °C 600 A
Tvj тэффективная температура p-n перехода   - 40 ... + 150 °C
Модуль
Tstg температура хранения   - 40 ... + 125 °C
VISOL напряжение испытания изоляции переменное напряжение 50Гц, 1 минута 4000 В

 

Рабочие характеристики (если не указано прочее значение, то полагается температра корпуса Tc = 25 °C)
Обозначение Наименование Условия снятия характеристики Значение Единица измерения
мин. ном. макс.
IGBT-транзистор
VCE(sat) напряжение насыщения коллектор-эмиттер IC = 75 А; VGE = 15 В; на уровне кристалла Tj = 25 °C   1,7 2,1 B
Tj = 125 °C   2,0 2,45 B
VCE0 пороговое напряжение коллектор-эмиттер   Tj = 25 °C   1,0 1,2 B
Tj = 125 °C   0,9 1,1 B
rCE дифференциальное сопротивление открытого канала VGE = 15 В Tj = 25 °C   9.3 12 мОм
Tj = 125 °C   14,7 18 мОм
VGE(th) пороговое напряжение затвор-эмиттер VGE = VCE; IC = 3 мА 5,0 5,8 6,5 B
ICES коллекторно-эмиттерный ток отсечки при соединении затвора с эмиттером

VGE = 0;

VCE = VCES

Tj = 25 °C     1,0 мА
Tj = 150 °C       мА
Cies входная емкость

VCE = 25 В;      VGE = 0

 

f = 1 МГц   5,3   нФ
Coes выходная емкость f = 1 МГц   0,28   нФ
Cres обратная переходная емкость f = 1 МГц   0,24   нФ
QG заряд затвора VGE = - 8 В….+ 15 В   600   нКл
RGint внутреннее сопротивление затвора Tj = 25 °C   10,0   Ом
td(on) длительность задержки включения

VCC = 600 В;

IC = 75 А;

VGE = ± 15 В;

RGon = 2 Ом;

RGoff = 2 Ом;

Tj = 150 °C   225   нс
tr время нарастания Tj = 150 °C   40   нс
Eon рассеиваемая энергия в процессе включения Tj = 150 °C   10   мДж
td(off) длительность задержки выключения Tj = 150 °C   470   нс
tf время спада Tj = 150 °C   85   нс
Eoff рассеиваемая энергия в процессе выключения Tj = 150 °C   11   мДж
Rth(j-c) тепловое сопротивление переход-корпус для IGBT     0,27 K/Вт
Обратный диод
VF = VEC постоянное прямое напряжение, равное напряжению на эмиттере-коллекторе

IF = 75 А;

VGE = 0 В;         на уровне чипа

Tj = 25 °C   1,6 1,8 B
Tj = 125 °C   1,6 1,8 B
VF0 пороговое напряжение   Tj = 25 °C 0,9 1,0 1,1 B
Tj = 125 °C 0,7 0,8 0,9 B
rF сопротивление в открытом состоянии   Tj = 25 °C 6,7 8,0 9,3 мОм
Tj = 125 °C 9,3 10,7 12 мОм
IRRM максимальный ток обратного восстановления

IF = 75 А;

di/dtoff = 2240 A/мкс;

VGE = - 15В;

VСС = 600 В

Tj = 125 °C   97   А
Qrr заряд восстановления Tj = 125 °C   20   мкКл
Err рассеиваемая энергия в процессе переключения диода на обратное напряжение Tj = 125 °C   9   мДж
Rth(j-c) тепловое сопротивление переход-корпус для обратного диода     0,46 K/Вт
Модуль
LCE паразитная индуктивность коллектора-эмиттера     20   нГн
RCC'+EE' суммарное переходное сопротивление выводов коллектора и эмиттера температура выводов полупроводника Tc = 25 °C   0,7   мОм
Tc = 125 °C   1,0   мОм
Rth(c-s) тепловое сопротивление корпус-теплоотвод для модуля   0,04   K/Вт
Ms монтажный вращающий момент для крепления теплоотвода с резьбой M5 3   5 Н · м
Mt монтажный вращающий момент для выводов с резьбой M6 2,5   5 Н · м
w масса       350 грамм
SEMiX101GD126HDs danasheet PDF Завантажити