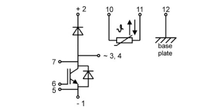
SEMiX151GAL12E4s

Ціна: 43.65 EUR
Напруга (V): 1200
Струм (A): ≤ 150
Конфігурація IGBT модуля: Нижній чоппер