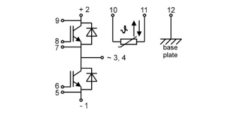
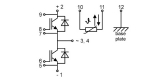
SEMiX151GB12E4s

Ціна: 53.09 EUR
Напруга (V): 1200
Струм (A): ≤ 150
Конфігурація IGBT модуля: Напівміст