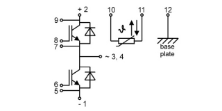
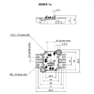
SEMiX151GB12Vs

Ціна: 127.62 EUR
Напруга (V): 1200
Струм (A): ≤ 150
Конфігурація IGBT модуля: Напівміст