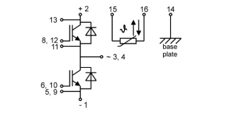
SEMiX202GB12Vs

Ціна: 71.21 EUR
Напруга (V): 1200
Струм (A): ≤ 200
Конфігурація IGBT модуля: Напівміст