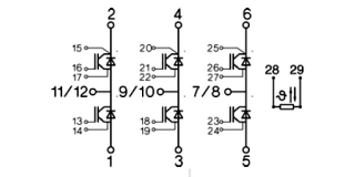
SEMiX223GD12Vc

Ціна: 240.41 EUR
Напруга (V): 1200
Струм (A): ≤ 300
Конфігурація IGBT модуля: 3-фазний міст