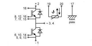
SEMiX303GB12Vs

Ціна: 96.14 EUR
Напруга (V): 1200
Струм (A): ≤ 300
Конфігурація IGBT модуля: Напівміст