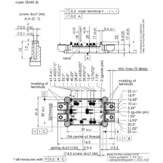
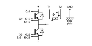
SEMiX352GB128Ds

Ціна: 1.00 EUR
Напруга (V): 1200
Струм (A): ≤ 200