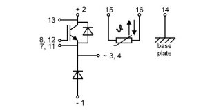
SEMiX402GAR066HDs

Ціна: 63.24 EUR
Напруга (V): 600
Струм (A): ≤ 400
Конфігурація IGBT модуля: Верхній чоппер