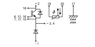
SEMiX453GAR12E4s

Ціна: 86.63 EUR
Напруга (V): 1200
Струм (A): ≤ 500
Конфігурація IGBT модуля: Верхній чоппер