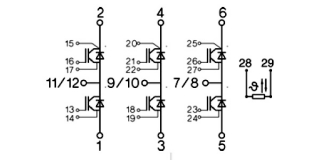
SEMiX453GD12Vc

Ціна: 376.20 EUR
Напруга (V): 1200
Струм (A): ≤ 600
Конфігурація IGBT модуля: 3-фазний міст