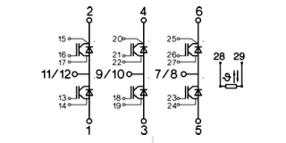
SEMiX503GD126HDc

Ціна: 304.25 EUR
Напруга (V): 1200
Струм (A): ≤ 400
Конфігурація IGBT модуля: 3-фазний міст