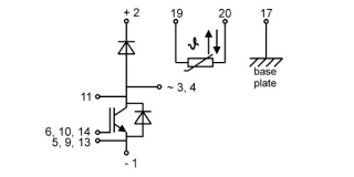
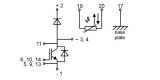
SEMiX603GAL066HDs

Ціна: 84.77 EUR
Напруга (V): 600
Струм (A): ≤ 600
Конфігурація IGBT модуля: Нижній чоппер