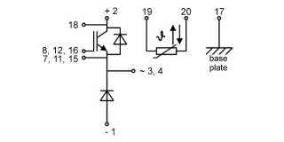
SEMiX603GAR066HDs

Ціна: 83.94 EUR
Напруга (V): 600
Струм (A): ≤ 600
Конфігурація IGBT модуля: Верхній чоппер