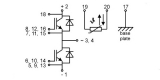
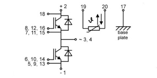
SEMiX603GB066HDs

Ціна: 113.55 EUR
Напруга (V): 600
Струм (A): ≤ 600
Конфігурація IGBT модуля: Напівміст