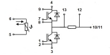
SEMiX603GB12E4Ip

Ціна: 1.00 EUR
Напруга (V): 1200
Струм (A): ≤ 600
Конфігурація IGBT модуля: Напівміст