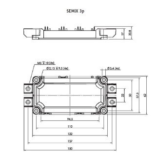
SEMiX603GB12E4p

Ціна: 1.00 EUR
Напруга (V): 1200
Струм (A): ≤ 600
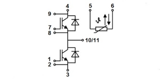
Конфігурація IGBT модуля: Напівміст