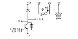
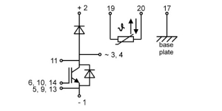
SEMiX653GAL176HDs

Ціна: 1.00 EUR
Напруга (V): 1700
Струм (A): ≤ 600
Конфігурація IGBT модуля: Нижній чоппер