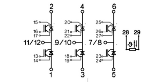
SEMiX653GD176HDc

Ціна: 494.63 EUR
Напруга (V): 1700
Струм (A): ≤ 600
Конфігурація IGBT модуля: 3-фазний міст