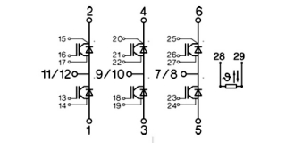
SEMiX703GD126HDc

Ціна: 416.18 EUR
Напруга (V): 1200
Струм (A): ≤ 600
Конфігурація IGBT модуля: 3-фазний міст